RTO蓄热式热氧化处理设备-RTO蓄热式热氧化处理设备性价比高-翼博环保

手机站|pad站| 网站地图
泊头市翼博环保设备有限公司
18232798866
首页
  • 翼博简介
  • 有机肥发酵罐
  • 干湿分离器
  • 污水处理设备
  • 产品展示
  • 资讯信息
  • 技术资料
  • 联系方式
热门点击: 有机肥发酵罐|一体化污水处理设备|牛粪有机肥发酵罐|干湿分离器|餐厨垃圾发酵罐|斜筛式干湿分离机|气流膜好氧堆肥发酵有机肥|畜禽粪便处理机|
网站图片
当前位置:首页>不显示产品>催化燃烧设备>RTO蓄热式热氧化处理设备
RTO蓄热式热氧化处理设备

RTO蓄热式热氧化处理设备

RTO蓄热式热氧化处理设备系统适应性强,操作稳定,可以根据各种工况灵活选择2室、3室、5室甚至7室或者其它;采用PLC全自动化控制,配套可操作触摸屏,人机互动性高,节能省力.
产地:河北省>泊头市
供应商:泊头市翼博环保设备有限公司

技术服务热线: 18232798866

RTO蓄热式热氧化处理设备详细内容

泊头翼博环保对于RTO蓄热式热氧化处理设备的生产技术已经非常娴熟了,我公司非常注重它的净化效率和工作数据;实践证明,该款设备具有性价比高、经久耐用、运行稳定以及净化效率高的特点。
RTO蓄热式热氧化处理设备
【包装印刷厂催化燃烧设备】
RTO蓄热式热氧化处理设备的基本详情:
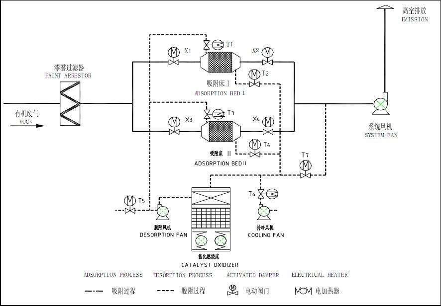
采用热氧化法处理中低浓度的有机废气,用陶瓷蓄热床换热器回收热量。其由陶瓷蓄热床、自动控制阀、燃烧室和控制系统等组成。
其主要特征是:蓄热床底部的自动控制阀分别与进气总管和排气总管相连,蓄热床通过换向阀交替换向,将由燃烧室出来的高温气体热量蓄留,并预热进入蓄热床的有机废气;采用陶瓷蓄热材料吸收、释放热量;预热到相应温度( ≥ 760℃ )的有机废气在燃烧室发生氧化反应,生成二氧化碳和水,得到净化。

 
RTO蓄热式热氧化处理设备
 
RTO蓄热式热氧化处理设备可净化气体:
1、适用有机废气种类:烷烃、烯烃、醇类、酮类、醚类、酯类、芳烃、苯类等碳氢化合物有机废气;
2、有机物低浓度(同时满足低于25%LFL)、大风量;
3、废气中含有多种有机成分、或有机成分经常发生变化;
4、含有容易使催化剂中毒或活性衰退成分的废气。
【橡胶厂催化燃烧炉】
 
RTO蓄热式热氧化处理设备的工艺特点:
1)操作费用低,低燃料费;
2)有机废气浓度在 450PPM 以上时,RTO 装置不需添加辅助燃料;
3)净化率高;
4)两床式RTO净化率在98%以上,三床床式 RTO 净化率在 97% 以上;
5)不产生 NOX 等二次污染;
6)全自动控制、操作简单;
7)使用寿命长,维护保养易
8)运行费用低、性价比合理
RTO蓄热式热氧化处理设备使用领域:
石油及化工(如塑料、橡胶、合成纤维、有机化工);油漆生产及喷漆;印刷(包括印铁、印纸、印塑料);电子元件及电线;农药及染料;医药;显像管、胶片、磁带等。
以上是关于RTO蓄热式热氧化处理设备的相关介绍;它的净化主要是通过脱附程序将高浓度有机废气脱出送入本装置进行热氧化反应,将有机废气催化反应自热效应可大大降低电加热能耗;具体的使用案例请来电咨询。
 
联
系方式
 
联系
方式
 

浏览更多关于 CO催化燃烧炉|voc催化燃烧废气处理设备|活性碳吸附催化燃烧设备 的内容

与RTO蓄热式热氧化处理设备相关的产品

RCO催化燃烧设备-RCO蓄热式催化燃烧装置
RCO催化燃烧设备
有机废气催化燃烧器-有机废气催化燃烧装置
有机废气催化燃烧器
RTO蓄热式热氧化处理设备
RTO蓄热式热氧化处理设备
voc废气处理设备-voc催化燃烧废气处理设备
voc催化燃烧废气处理设备

产品目录

有机肥发酵罐干湿分离器一体化污水处理设备气流膜好氧堆肥发酵有机肥厨余垃圾处理设备有机肥发酵设备垂直垃圾压缩机设备

更新产品

垂直垃圾压缩机设备垂直垃圾压缩机设备高温好氧有机肥发酵设备有机肥发酵设备新型快速有机肥发酵罐

新闻资讯

  • 广东的张先生您订购的牛粪有机肥发酵罐已按合同要求生产完毕,于明天上午装车发货,预计三天后到达,请你注意接听物流电话,及时注意查收货物
  • 有机肥发酵设备的产品特点
  • 猪粪有机肥发酵罐的应用优势
  • 滚筒式干湿分离器产品描述
  • 餐厨垃圾处理设备的五大组成部分

技术指导

  • 滚筒式干湿分离器的设备特点
  • 一体化预制泵站的选型
  • 牛粪有机肥发酵罐将牛粪变废为宝
  • 餐厨垃圾处理设备的优点
  • 槽式堆肥发酵技术的优势

联系方式

泊头市翼博环保设备有限公司
地址:河北省沧州市泊头市王武镇郭千村
联系人:张经理
手机:18232798866
电话:15230722788
邮编:062150
邮箱:2942353252@qq.com
首页|公司简介|布袋除尘器|脱硫脱硝设备|催化燃烧设备|产品展示|新闻资讯|技术资料|联系方式| 网站地图
公司名称:泊头市翼博环保设备有限公司 公司地址:河北省沧州市泊头市王武镇郭千村 
手机:15230722788 网址:http://www.chinaybhb.com 
泊头市翼博环保设备有限公司 2011(C)版权所有 并对网站所有内容保留解释权 冀ICP备15027150号-2 

冀公网安备13098102000336号

PowerBy:速贝·网搜宝 网站建设:中科四方 技术支持:速贝